JRC NRD-525 schemas

BLOCK DIAGRAM - (.jpg 185 ko)
CIRCUIT DIAGRAM - (.jpg 245 ko)
CFL-205 - HF tune (.jpg 203 ko)
CFH-36 - IF filter (.jpg 188 ko)
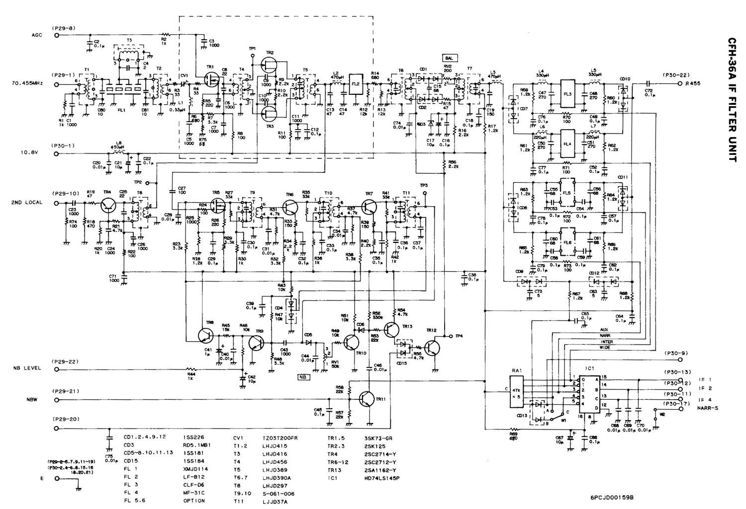
CFH-36A - IF filter - A version (.jpg 215 ko)
CAE-182 - IF AF amp (.jpg 223 ko)
CGA-131 - Loop 1 (.jpg 114 ko)
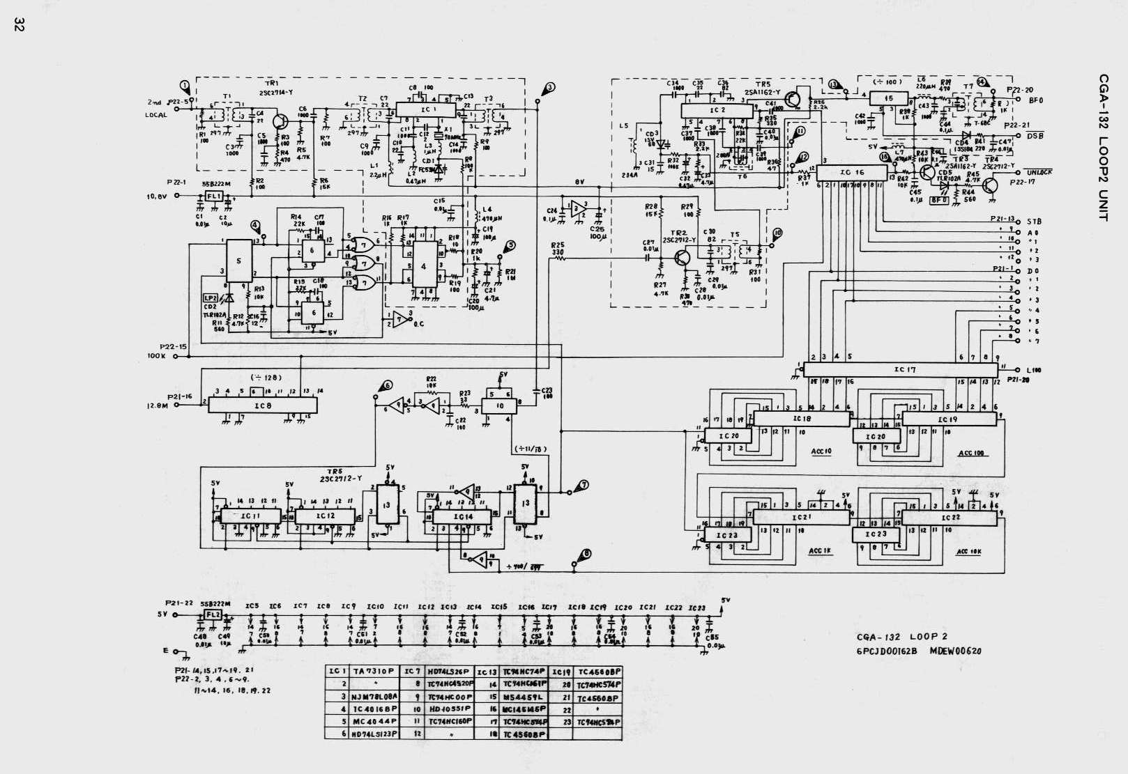
CGA-132 - Loop 2 (.jpg 200 ko)
CDC-353 - CPU (.jpg 259 ko)
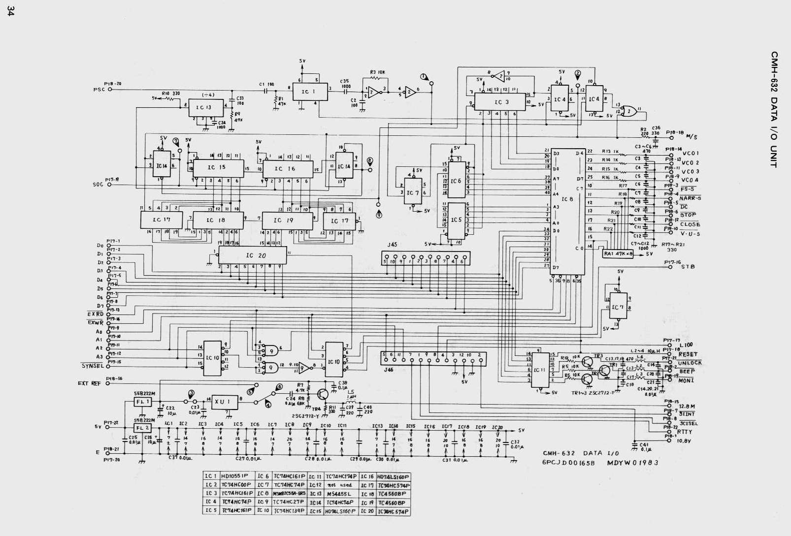
CMH-632 - Data I/O (.jpg 196 ko)
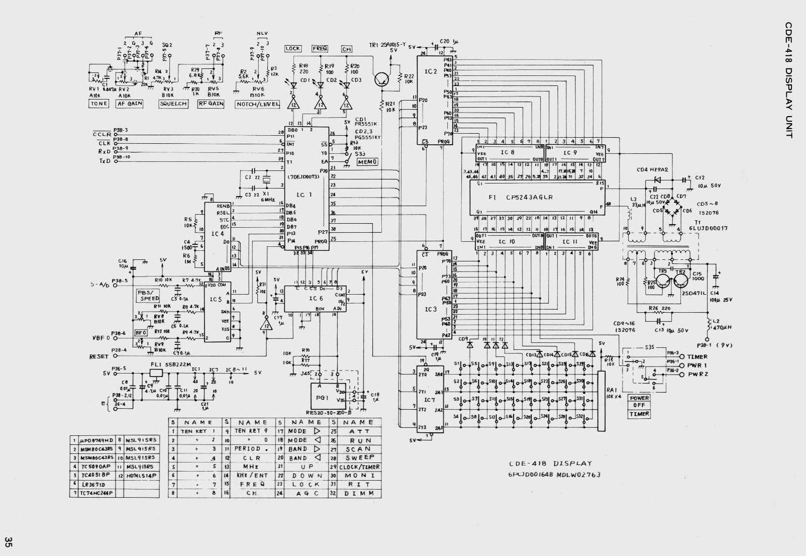
CDE-418 - Display (.jpg 193 ko)

OPTIONS:
CMH-532 manual - JRC RS-232 interface (.pdf 1919 ko)
Schema (.jpg 146 ko)

CBO-232 interface - CBO RS-232 interface (.pdf 107 ko EN)
Interface CBO-232 (.pdf 274 Ko FR)
SCHEMA (.jpg 107 ko) / CIRCUIT(.gif 15 ko)

CMH-530 manual JRC RTTY interface (.pdf 946 ko)
Schema (.jpg 188 ko)

CMK-165 manual JRC VHF/UHF interface (.pdf 554 ko)
CGA-118 schema - VHF/UHF local osc (.jpg 204 ko)
CHE-85 schema - VHF/UHF RF (.jpg 203 ko)


Others / autres documents => notices.htm